等邊角鋁連座

 2019-06-14


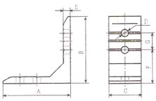
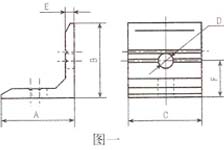
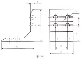
用途:用于中、高強度連接。
用法:用等邊角鋁DH40*5、DH60*6、DH80*8加工而成,可按用戶(hù)提供的尺寸加工。如圖四、圖六所示,可在側面鉆孔、攻螺紋,用于固定護板。