用法:將掛鉤G6(圖二)安裝在掛鉤座GG6或GG8(圖一)的孔D中,然后裝入型材槽內,在掛鉤座的兩端,各放進(jìn)一個(gè)方螺母,用頂絲擰緊固定(圖三)。


|
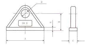
序號 |
型號 |
A |
B |
C |
D |
H |
備注 |
|
1 |
GG6 |
50 |
22 |
10 |
Φ10 |
4 |
圖一 |
|
2 |
GG8 |
60 |
26 |
12.5 |
Φ10 |
4 |
圖一 |
|
3 |
G6 |
50 |
Φ7 |
Φ5 |
Φ15 |
|
圖二 |
