用途:蓋在框架型材的外露端頭、美觀(guān)大方。
用法:將端蓋的定位塊(柱)對正型材槽(中心孔)后壓入。

|
序號 |
型號 |
A |
B |
H |
|
1 |
1530G |
30 |
15 |
3 |
|
2 |
2040G |
40 |
20 |
4 |
|
3 |
4060G |
60 |
40 |
4 |

|
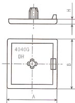
序號 |
型號 |
A |
B |
H |
|
1 |
2020-4G |
20 |
20 |
3 |
|
2 |
3030G |
30 |
30 |
4 |
|
3 |
4040G |
40 |
40 |
4 |
