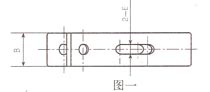
用于圖一
|
序號 |
型號 |
α |
A |
B |
C |
D |
E |
|
1 |
20XB-30 |
30o |
65 |
16 |
2.5 |
Φ5 |
5 |
|
2 |
20XB-45 |
45o |
60 |
16 |
2.5 |
Φ5 |
5 |
|
3 |
20XB-60 |
60o |
60 |
16 |
2.5 |
Φ5 |
5 |
|
4 |
20XB-75 |
75o |
60 |
16 |
2.5 |
Φ5 |
5 |
|
5 |
30XB-30 |
30o |
75 |
26 |
3 |
Φ7 |
7 |
|
6 |
30XB-45 |
45o |
70 |
26 |
3 |
Φ7 |
7 |
|
7 |
30XB-60 |
60o |
70 |
26 |
3 |
Φ7 |
7 |
|
8 |
30XB-75 |
75o |
70 |
26 |
3 |
Φ7 |
7 |
|
9 |
40XB-30 |
30o |
85 |
36 |
3.5 |
Φ9 |
9 |
|
10 |
40XB-45 |
45o |
80 |
36 |
3.5 |
Φ9 |
9 |
|
11 |
40XB-60 |
60o |
80 |
36 |
3.5 |
Φ9 |
9 |
|
12 |
40XB-75 |
75o |
80 |
36 |
3.5 |
Φ9 |
9 |


用于圖二
|
序號 |
型號 |
α |
A |
B |
C |
D |
E |
|
1 |
20XB-105 |
55o |
55 |
16 |
2.5 |
Φ5 |
5 |
|
2 |
20XB-120 |
55o |
55 |
16 |
2.5 |
Φ5 |
5 |
|
3 |
20XB-135 |
55o |
55 |
16 |
2.5 |
Φ5 |
5 |
|
4 |
20XB-150 |
55o |
55 |
16 |
2.5 |
Φ5 |
5 |
|
5 |
30XB-105 |
65o |
65 |
26 |
3 |
Φ7 |
7 |
|
6 |
30XB-120 |
65o |
65 |
26 |
3 |
Φ7 |
7 |
|
7 |
30XB-135 |
65o |
65 |
26 |
3 |
Φ7 |
7 |
|
8 |
30XB-150 |
65o |
65 |
26 |
3 |
Φ7 |
7 |
|
9 |
40XB-105 |
75o |
75 |
36 |
3.5 |
Φ9 |
9 |
|
10 |
40XB-120 |
75o |
75 |
36 |
3.5 |
Φ9 |
9 |
|
11 |
40XB-135 |
75o |
75 |
36 |
3.5 |
Φ9 |
9 |
|
12 |
40XB-150 |
75o |
75 |
36 |
3.5 |
Φ9 |
9 |

