
|
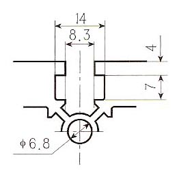
型號 |
DH8080L |
|
|
重量(kg/m) |
3.68 |
|
|
斷面積(mm2) |
1363 |
|
|
慣性矩 |
Ix |
106.3×104 |
|
Iy |
106.3×104 |
|

|
型號 |
DH8080L |
|
|
重量(kg/m) |
3.68 |
|
|
斷面積(mm2) |
1363 |
|
|
慣性矩 |
Ix |
106.3×104 |
|
Iy |
106.3×104 |
|