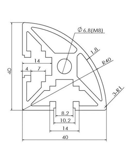
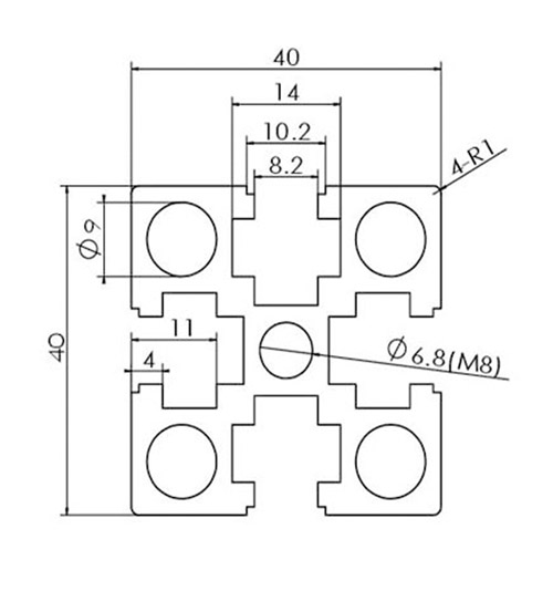
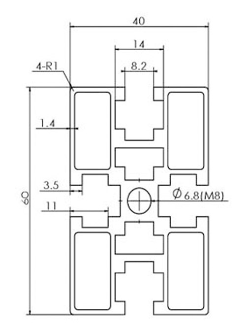
DH4060L-8/DH4040L-8/DH4040H-8/DH4040-8

 2019-12-06

詳細信息請點(diǎn)擊查看沈陽(yáng)鼎華圖冊