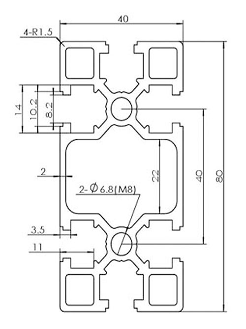
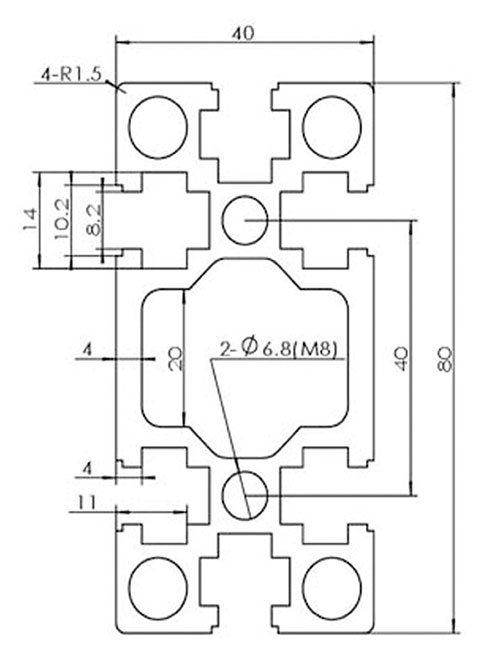
DH4080-8/DH4080L-8/DH4060-8

 2019-12-06

詳細信息請點(diǎn)擊查看沈陽(yáng)鼎華圖冊