

|
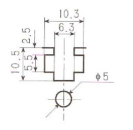
型號 |
DH1530 |
|
|
重量(kg/m) |
0.7 |
|
|
斷面積(mm2) |
260 |
|
|
慣性矩 |
Ix |
0.73×104 |
|
Iy |
1.6×104 |
|


|
型號 |
DH1530 |
|
|
重量(kg/m) |
0.7 |
|
|
斷面積(mm2) |
260 |
|
|
慣性矩 |
Ix |
0.73×104 |
|
Iy |
1.6×104 |
|