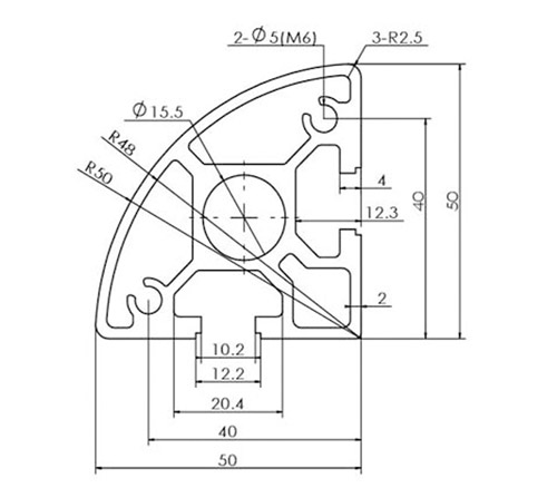
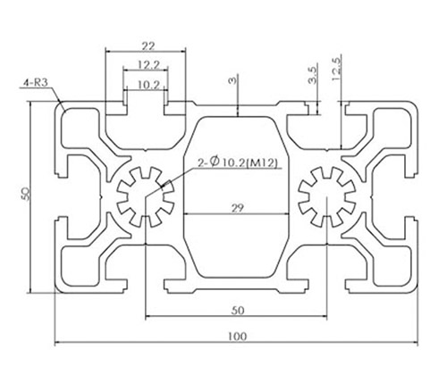
DH5050E-10/5050R-10/50100E-10

 2019-12-09

詳細信息請點(diǎn)擊查看沈陽(yáng)鼎華圖冊