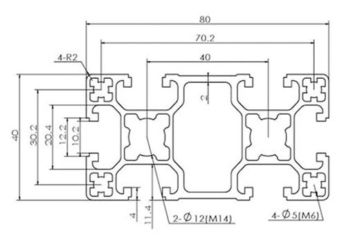
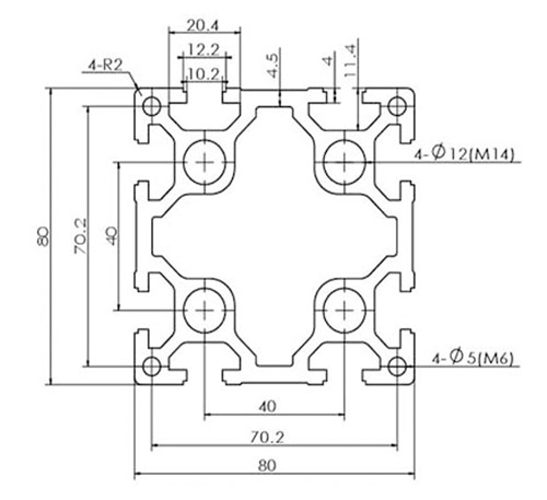
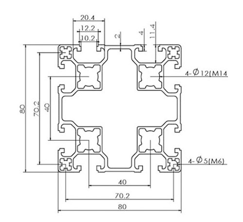
DH4080DL-10/8080D-10/8080DL-10

 2019-12-09

詳細信息請點(diǎn)擊查看沈陽(yáng)鼎華圖冊