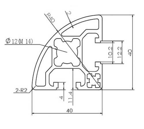
DH4040DR-10/4060D-10/4080D-10

 2019-12-09

詳細信息請點(diǎn)擊查看沈陽(yáng)鼎華圖冊