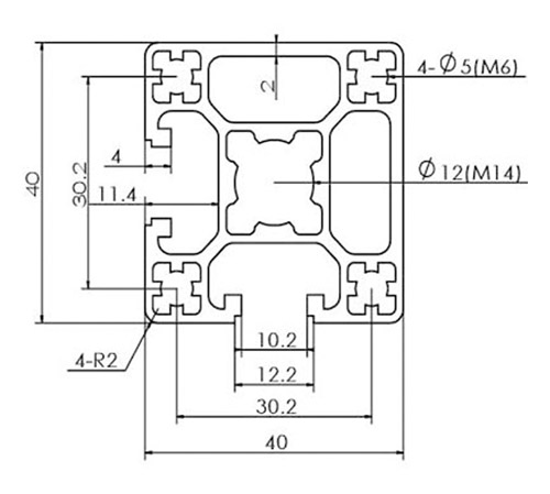
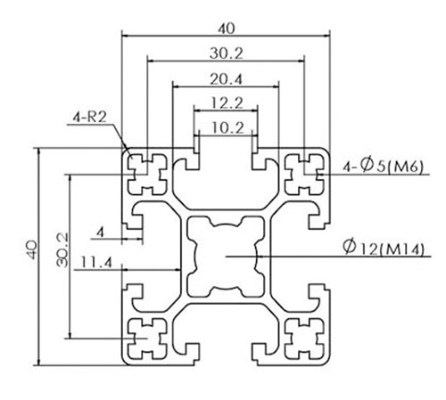
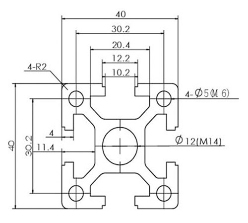
DH4040D-10/4040DC-10/4040L-10

 2019-12-09

詳細信息請點(diǎn)擊查看沈陽(yáng)鼎華圖冊