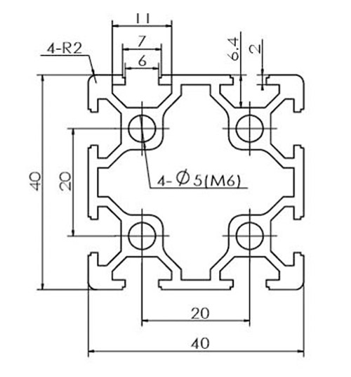
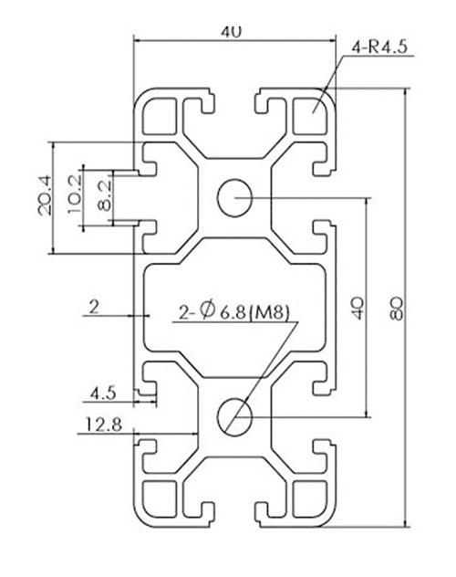
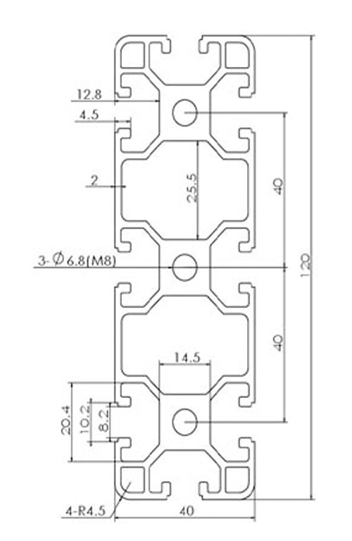
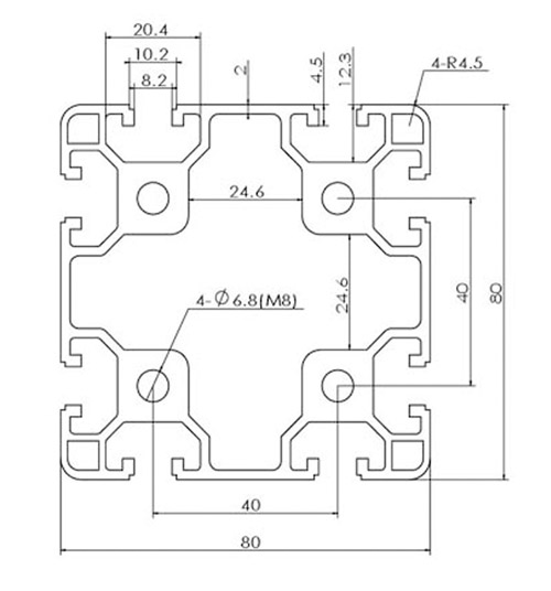
DH4040E-6/4080E-8/8080E-8/80120E-8

 2019-12-09

詳細信息請點(diǎn)擊查看沈陽(yáng)鼎華圖冊