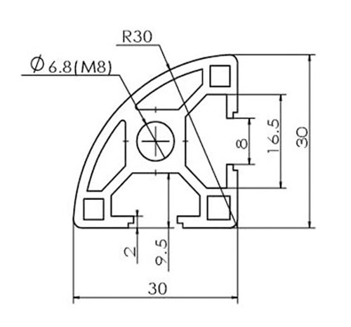
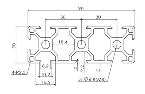
DH3090E-8/3030R-8

 2019-12-09

詳細信息請點(diǎn)擊查看沈陽(yáng)鼎華圖冊